日本岛津Nexera GPC系统
数据稳定性卓越的基线稳定性 GPC系统中的示差折光检测器,对于流动相的温度变化及其中溶解的空气非常敏感,这些因素可导致基线不稳定。Prominence GPC系统中的RID-10A示差折光检测器内部具有双重温控的检测池单元,有效减少温度变化对于基线的影响。另外,容量仅为380 uL高效脱气单元大大降低了系统稳定所需时间。送液重复性 GPC系统检测分子量分布,是通过将化合物的分子量与洗脱时间进行
简介
岛津Nexera GPC系统结合Analytical Intelligence技术,具备高可靠性与广泛的可扩展性,适用于多种应用。硬件支持快速稳定运行,软件包含自动化分析流程和重叠进样功能,提高生产效率。FlowPilot功能保护色谱柱免受损害,流动相托盘传感器监测流动相剩余量。系统具有自动诊断和恢复功能,自动化工作流程从启动到关机全程辅助。LabSolutions软件提供简便的系统适用性检测、分子量分布分析及多样化报告格式,减少报告创建工序。该系统确保即使在不同技术水平的操作员下也能获得高质量、可复制的数据。
Analytical Intelligence与高性能仪器完美结合
在各类应用中,Nexera GPC系统展现出可靠性强、可扩展性广的性能表现。硬件可实现仪器快速稳定,并达到良好的分析结果重现性,同时软件内包含了分析工作流程自动化功能和重叠进样功能,并提供易于使用的分析屏幕视图,所有这一切改善均有助于提高生产率。
此外,基于全新数字技术的Analytical Intelligence功能可预防出现潜在问题,确保仪器始终保持稳态运行,提供高度可靠的分析结果,而无需考虑分析人员的技术水平、知识水平或经验水平如何。
操作人员的技术水平并不会对高度可靠分析造成任何影响
保护价格昂贵的GPC色谱柱:FlowPilot
高效液相色谱柱可能因泵的突然启动和停止,或极端梯度变化而损坏。Nexera特有的FlowPilot功能(智能流速控制)将流速逐渐增加到增量至设定值。该功能可自动运行无需在每次分析前单独设定。

实时监测流动相剩余量
流动相托盘可选配内置传感器,最多可同时监测12个容器中的流动相或自动进样器清洗液的体积,并可通过智能设备进行远程监控。
此外,分析开始之前,系统将自动计算实验完成所需流动相体积并提示,如此,不再需要担心因流动相不足而导致的分析进程中断。

自动诊断和恢复
在某些情况下,分析运行过程中流动相中会产生气泡,如果进入泵内,则会引起结果异常。Nexera能够自动监测基线变化和压力波动,以检查异常情况。
当系统检测到异常波动时,分析序列将自动暂停,同时自动启动Purge以及系统平衡,并在确认系统恢复正常后重新开始分析。

自动化工作流程
系统功能可以从仪器启动到关机的整个分析过程步骤中提供辅助,进而大大提高工作效率。FlowPilot流动相流速控制功能与柱箱温度关联,进而可在自动色谱柱平衡过程中对色谱柱实施保护。通过自动检查基线漂移来保持仪器稳定性,操作人员无需守在仪器旁。
自动、简便的系统适用性检测(SST)
LabSolutions™软件设计可在对未知样品实施测定前,利用对照样品或标准样品对系统兼容性实施检查。可在批量分析中加入该功能,仅当获得阳性检测结果后才可以对实际样品实施测定。该软件还可以通过文本或CSV格式输出检测结果。

分析时间更短——重叠进样功能
使用重叠进样功能(Nexera自动采样器(SIL-40系列)标准配备)可显著缩短分析多样品时所用的时间,加快工作速率。

示例显示使用重叠进样使分析周期缩短约50%。
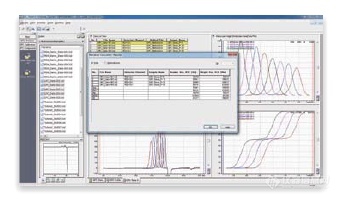
LabSolutions GPC软件
可通过图形界面轻松分析分子量分布
只需3步即可创建标准曲线

最多有64个数据点可用。同时设置虚拟点也十分容易,可在选择各种近似方程式的过程中目视检查校准曲线适用性。也可以使用Mark–Houwink方程校正校准曲线,也可以使用其他基于Q因子或聚合度的校正方法。
图形化GPC数据分析窗口
• 可通过图形界面进行峰积分
• 可在一个文件中管理来自多个检测器的数据
由于进行峰积分时都会更新分子量分布曲线,因此可以立即确认平均分子量、特性粘度、多分散性和其他参数结果。
时间和检测器灵敏度也可以根据内标峰或对照样品予以校正。

数据比较窗口允许同时评估多个样品
• 最多可将10个样品的洗脱曲线、导数和积分分子量分布曲线叠加在图形上。
• 可以显示平均分子量、特性粘度和多分散性的统计结果。

报告格式多样
LabSolutions配备了用于各种分析结果的报告模板。带有大量的报告并提供了高度灵活的布局,该软件可满足各种报告需求。
此外,将PDF输出功能设置为标准配置,因此可以通过自动导入数据库来管理分析结果报告,助力实验室实现无纸化办公并让分析过程更为环保。

减少创建最终报告的工序
您是否将分析结果移至电子表格程序(如:Excel®)以创建最终报告?
LabSolutions带有多数据报告功能,可减少报告创建过程中的工序。将分析结果自动输入到电子表格(与Excel®中使用的电子表格等效)中,而无需移动数据。

Analytical Intelligence
- 借助M2M、IoT和人工智能(AI)等数字技术实现自动化辅助功能,在提高生产率的同时
将可靠性提升到更高水平。
- 系统可自行实施监测、诊断,在没有用户输入的采集数据过程中能够应对多种问题并可
自动运行,其运作功能与专家操作无异。
- 在面对常规应用或特定要求应用时,无需在意操作人员的技术水平,设备均可获取高质量、
可复制的数据。
-
上一篇: 美国waters1515凝胶色谱仪
-
下一篇: 暂无
专属定制:
相关产品

